Tükendi
Gelince Haber Ver


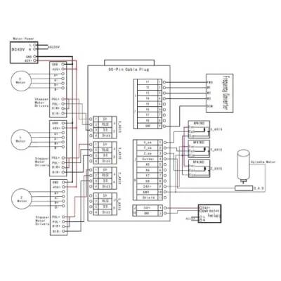
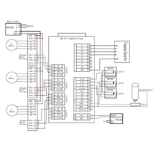
Bilgisayara ihtiyaç duymadan CNC kontrolü yapabilen DSP kontrol ünitesidir.
Usb hafıza ile G kod dosyalarınızı CNC’de çalıştırmanızı sağlar.
Ürün sizi kontrol kartı gibi ekstra masraflardan kurtarır.
3 eksen CNC DSP kontrol sistemidir.
CNC için DSP Kontrol Ünitesi A11
CNC Dünyası güvencesiyle uygun fiyat ve ücretsiz kargo avantajıyla hemen sipariş verebilirsiniz.